ПРОМЫШЛЕННЫЕ КОМПЛЕКТУЮЩИЕ


504376 A (2333 VKHB)

Картинка 504376 A   (2333   VKHB) от компании «BC Industry» Ступица, ступичный подшипник купить в Алматы, в Шымкенте, в Казахстане. Подшипник для ступицы. Подшипник SKF купить в Шымкенте. Подшипник SKF купить в Алматы.
0
KZT

Добавьте в корзину один или несколько товаров, и получите коммерческое предложение

Полное описание

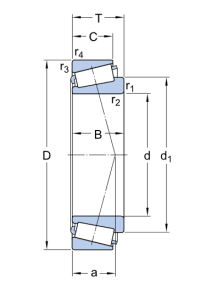
Однорядные конические роликоподшипники. Если образующие конических поверхностей продолжить, то они сойдутся в одной точке, которая находится на оси подшипника. Конструкция конических роликоподшипников делает их особо пригодными для восприятия комбинированных (радиальных и осевых) нагрузок.

Наличие на складах


Яндекс.Метрика