ПРОМЫШЛЕННЫЕ КОМПЛЕКТУЮЩИЕ


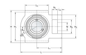
TUJ 510 корпус SKF

Картинка TUJ 510   корпус  SKF от компании «BC Industry» Корпуса, корпусные подшипники, подшипниковые узлы, смазки для подшипников, сальники, манжеты, уплотнения - купить в Шымкенте, в Алматы. Купить подшипники в Шымкенте. Купить подшипники в Алматы. SKF Казахстан.
38 245
KZT

TUJ 510   корпус  SKF

Добавьте в корзину один или несколько товаров, и получите коммерческое предложение

Наличие на складах


  

Яндекс.Метрика