ПРОМЫШЛЕННЫЕ КОМПЛЕКТУЮЩИЕ


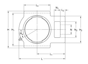
TU 506 M Корпус подшипника SKF

Картинка TU 506 M   Корпус подшипника  SKF от компании «BC Industry» Корпуса, корпусные подшипники, подшипниковые узлы, смазки для подшипников, сальники, манжеты, уплотнения - купить в Шымкенте, в Алматы. Купить подшипники в Шымкенте. Купить подшипники в Алматы. SKF Казахстан.
19 750
KZT

TU 506 M   Корпус подшипника  SKF

Добавьте в корзину один или несколько товаров, и получите коммерческое предложение

Наличие на складах


  

Яндекс.Метрика