Позвонить
Комплексный поставщик комплектующих для промышленного оборудования
+7 (727) 250 57 75
+7 (727) 250 78 47
+7 (707) 250 57 75
sale@bearing.kz
Корзина
Продукция
SKF
Optibelt
Habasit
Loctite
Cassida
FAG
Festo
Seeger
Smalley
Вендоры
Loctite
SKF
CASSIDA
Optibelt
Habasit
Сервис
Индукционный нагреватель
Купить оборудование рулонной резки в Казахстане
Оставить заявку
Гарантия
Документация
Обучение
Контакты
Главная страница
Каталог продукции
SKF
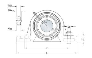
SY 50 FM узел SKF
ПРОМЫШЛЕННЫЕ КОМПЛЕКТУЮЩИЕ
SY 50 FM узел SKF
58 285
KZT
SY 50 FM узел SKF
Количество
-
+
шт
Добавить в корзину
Купить
Добавьте в корзину один или несколько товаров, и получите коммерческое предложение
Наличие на складах
Основной склад (Кокорай 2а)
телефон: 8(727) 250 57 75
остаток:
0
МЫ В СОЦСЕТЯХ
РАССЫЛКА
Защита от автоматических сообщений
Введите код на картинке
*
Подписаться
Корзина