ПРОМЫШЛЕННЫЕ КОМПЛЕКТУЮЩИЕ


SIKAC 25M подшипник SKF

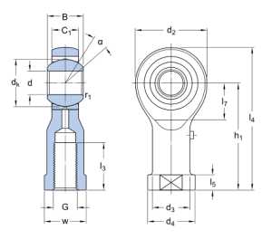
Картинка SIKAC 25M   подшипник SKF от компании «BC Industry» Корпуса, корпусные подшипники, подшипниковые узлы, смазки для подшипников, сальники, манжеты, уплотнения - купить в Шымкенте, в Алматы. Купить подшипники в Шымкенте. Купить подшипники в Алматы. SKF Казахстан.
94 670
KZT
Classification level 1
Plain bearing
Classification level 2
Rod end
Net weight
0,734
Bore diameter
25
Outside diameter
61
Width
44

SIKAC 25M   подшипник SKF

Добавьте в корзину один или несколько товаров, и получите коммерческое предложение

Наличие на складах


Яндекс.Метрика