ПРОМЫШЛЕННЫЕ КОМПЛЕКТУЮЩИЕ


RNA 4900.2RS Подшипник SKF

Картинка RNA 4900.2RS   Подшипник SKF от компании «BC Industry» Корпуса, корпусные подшипники, подшипниковые узлы, смазки для подшипников, сальники, манжеты, уплотнения - купить в Шымкенте, в Алматы. Купить подшипники в Шымкенте. Купить подшипники в Алматы. SKF Казахстан.
19 445
KZT
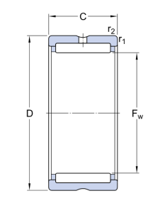
Classification level 1
Roller bearing
Classification level 2
Needle radial
Net weight
0,016
Bore diameter
14
Outside diameter
22
Width
13

RNA 4900.2RS   Подшипник SKF

Добавьте в корзину один или несколько товаров, и получите коммерческое предложение

Наличие на складах


  

Яндекс.Метрика