ПРОМЫШЛЕННЫЕ КОМПЛЕКТУЮЩИЕ


QJ 315 N2MA подшипник SKF

Картинка QJ 315 N2MA   подшипник  SKF от компании «BC Industry» Корпуса, корпусные подшипники, подшипниковые узлы, смазки для подшипников, сальники, манжеты, уплотнения - купить в Шымкенте, в Алматы. Купить подшипники в Шымкенте. Купить подшипники в Алматы. SKF Казахстан.
331 690
KZT
Classification level 1
Ball bearing
Classification level 2
Spherical radial
Net weight
3,796
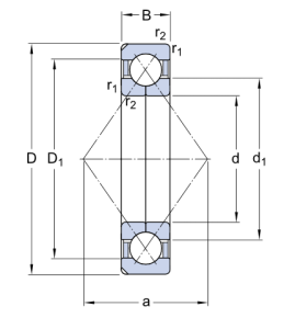
Bore diameter
75
Outside diameter
160
Width
37

QJ 315 N2MA   подшипник  SKF

Добавьте в корзину один или несколько товаров, и получите коммерческое предложение

Наличие на складах


  

Яндекс.Метрика