ПРОМЫШЛЕННЫЕ КОМПЛЕКТУЮЩИЕ


QJ 222 N2MA подшипник SKF

Картинка QJ 222 N2MA   подшипник SKF от компании «BC Industry» Корпуса, корпусные подшипники, подшипниковые узлы, смазки для подшипников, сальники, манжеты, уплотнения - купить в Шымкенте, в Алматы. Купить подшипники в Шымкенте. Купить подшипники в Алматы. SKF Казахстан.
547 290
KZT
Classification level 1
Ball bearing
Classification level 2
Spherical radial
Net weight
5,547
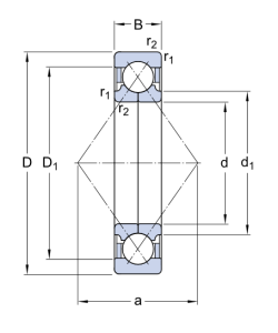
Bore diameter
110
Outside diameter
200
Width
38

QJ 222 N2MA   подшипник SKF

Добавьте в корзину один или несколько товаров, и получите коммерческое предложение

Наличие на складах


  

Яндекс.Метрика