ПРОМЫШЛЕННЫЕ КОМПЛЕКТУЮЩИЕ


NUP 311 ECJ подшипник SKF

Картинка NUP 311 ECJ   подшипник  SKF от компании «BC Industry» Корпуса, корпусные подшипники, подшипниковые узлы, смазки для подшипников, сальники, манжеты, уплотнения - купить в Шымкенте, в Алматы. Купить подшипники в Шымкенте. Купить подшипники в Алматы. SKF Казахстан.
156 840
KZT
Classification level 1
Roller bearing
Classification level 2
Spherical radial
Net weight
1,532
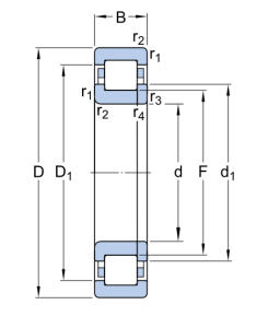
Bore diameter
55
Outside diameter
120
Width
29

NUP 311 ECJ   подшипник  SKF

Добавьте в корзину один или несколько товаров, и получите коммерческое предложение

Наличие на складах


  

Яндекс.Метрика