ПРОМЫШЛЕННЫЕ КОМПЛЕКТУЮЩИЕ


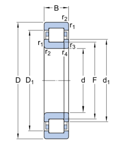
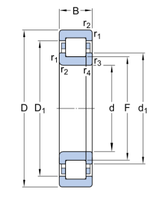
NUP 308 ECM подшипник SKF

Картинка NUP 308 ECM   подшипник  SKF от компании «BC Industry» Корпуса, корпусные подшипники, подшипниковые узлы, смазки для подшипников, сальники, манжеты, уплотнения - купить в Шымкенте, в Алматы. Купить подшипники в Шымкенте. Купить подшипники в Алматы. SKF Казахстан.
0
KZT

NUP 308 ECM   подшипник  SKF

Добавьте в корзину один или несколько товаров, и получите коммерческое предложение

Наличие на складах


Яндекс.Метрика