ПРОМЫШЛЕННЫЕ КОМПЛЕКТУЮЩИЕ


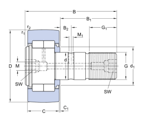
NUKR 40 A подшипник SKF

Картинка NUKR 40 A  подшипник SKF от компании «BC Industry» Корпуса, корпусные подшипники, подшипниковые узлы, смазки для подшипников, сальники, манжеты, уплотнения - купить в Шымкенте, в Алматы. Купить подшипники в Шымкенте. Купить подшипники в Алматы. SKF Казахстан.
58 600
KZT
Classification level 1
Track roller
Classification level 2
Spherical radial
Net weight
0,283
Bore diameter
18
Outside diameter
40
Width
58

NUKR 40 A  подшипник  SKF

Добавьте в корзину один или несколько товаров, и получите коммерческое предложение

Наличие на складах


Яндекс.Метрика