ПРОМЫШЛЕННЫЕ КОМПЛЕКТУЮЩИЕ


N 312 EСP подшипник SKF

Картинка N 312 EСP   подшипник  SKF от компании «BC Industry» Корпуса, корпусные подшипники, подшипниковые узлы, смазки для подшипников, сальники, манжеты, уплотнения - купить в Шымкенте, в Алматы. Купить подшипники в Шымкенте. Купить подшипники в Алматы. SKF Казахстан.
195 910
KZT
Classification level 1
Roller bearing
Classification level 2
Spherical radial
Net weight
1,761
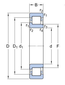
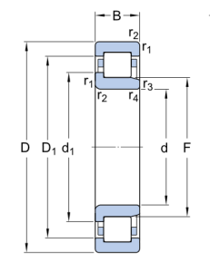
Bore diameter
60
Outside diameter
130
Width
31

N 312 EСP   подшипник  SKF

Добавьте в корзину один или несколько товаров, и получите коммерческое предложение

Наличие на складах


  

Яндекс.Метрика