ПРОМЫШЛЕННЫЕ КОМПЛЕКТУЮЩИЕ


N 205 ECP подшипник SKF

Картинка N 205 ECP   подшипник  SKF от компании «BC Industry» Корпуса, корпусные подшипники, подшипниковые узлы, смазки для подшипников, сальники, манжеты, уплотнения - купить в Шымкенте, в Алматы. Купить подшипники в Шымкенте. Купить подшипники в Алматы. SKF Казахстан.
43 185
KZT
Classification level 1
Roller bearing
Classification level 2
Spherical radial
Net weight
0,13
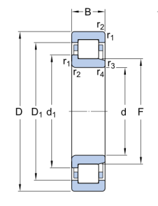
Bore diameter
25
Outside diameter
52
Width
15

N 205 ECP   подшипник  SKF

Добавьте в корзину один или несколько товаров, и получите коммерческое предложение

Наличие на складах


  

Яндекс.Метрика