Позвонить
Комплексный поставщик комплектующих для промышленного оборудования
+7 (727) 250 57 75
+7 (727) 250 78 47
+7 (707) 250 57 75
sale@bearing.kz
Корзина
Продукция
SKF
Optibelt
Habasit
Loctite
Cassida
FAG
Festo
Seeger
Smalley
Вендоры
Loctite
SKF
CASSIDA
Optibelt
Habasit
Сервис
Индукционный нагреватель
Купить оборудование рулонной резки в Казахстане
Оставить заявку
Гарантия
Документация
Обучение
Контакты
Главная страница
Каталог продукции
SKF
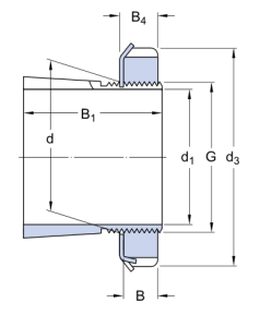
H 3134 втулка SKF
ПРОМЫШЛЕННЫЕ КОМПЛЕКТУЮЩИЕ
H 3134 втулка SKF
284 655
KZT
H 3134 втулка SKF
Количество
-
+
шт
Добавить в корзину
Купить
Добавьте в корзину один или несколько товаров, и получите коммерческое предложение
Наличие на складах
Основной склад (Кокорай 2а)
телефон: 8(727) 250 57 75
остаток:
0
МЫ В СОЦСЕТЯХ
РАССЫЛКА
Защита от автоматических сообщений
Введите код на картинке
*
Подписаться
Корзина