ПРОМЫШЛЕННЫЕ КОМПЛЕКТУЮЩИЕ


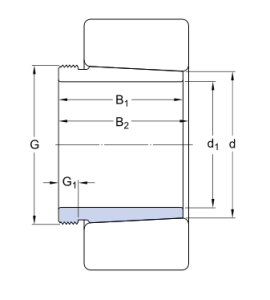
AHX 2310 втулка SKF

Картинка AHX 2310   втулка  SKF от компании «BC Industry» Корпуса, корпусные подшипники, подшипниковые узлы, смазки для подшипников, сальники, манжеты, уплотнения - купить в Шымкенте, в Алматы. Купить подшипники в Шымкенте. Купить подшипники в Алматы. SKF Казахстан.
61 960
KZT

AHX 2310   втулка  SKF

Добавьте в корзину один или несколько товаров, и получите коммерческое предложение

Наличие на складах


Яндекс.Метрика