ПРОМЫШЛЕННЫЕ КОМПЛЕКТУЮЩИЕ


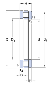
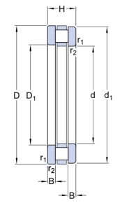
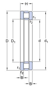
81213 TN подшипник SKF

Картинка 81213 TN   подшипник SKF от компании «BC Industry» Корпуса, корпусные подшипники, подшипниковые узлы, смазки для подшипников, сальники, манжеты, уплотнения - купить в Шымкенте, в Алматы. Купить подшипники в Шымкенте. Купить подшипники в Алматы. SKF Казахстан.
104 590
KZT
Classification level 1
Roller bearing
Classification level 2
Cylindrical thrust
Net weight
0,721
Bore diameter
65
Outside diameter
100
Width
27

81213 TN   подшипник SKF

Добавьте в корзину один или несколько товаров, и получите коммерческое предложение

Наличие на складах


Яндекс.Метрика