ПРОМЫШЛЕННЫЕ КОМПЛЕКТУЮЩИЕ


81124 TN подшипник SKF

Картинка 81124 TN   подшипник  SKF от компании «BC Industry» Корпуса, корпусные подшипники, подшипниковые узлы, смазки для подшипников, сальники, манжеты, уплотнения - купить в Шымкенте, в Алматы. Купить подшипники в Шымкенте. Купить подшипники в Алматы. SKF Казахстан.
275 000
KZT
Classification level 1
Roller bearing
Classification level 2
Cylindrical thrust
Net weight
1,05
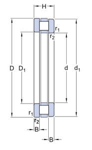
Bore diameter
120
Outside diameter
155
Width
25

81124 TN   подшипник  SKF

Добавьте в корзину один или несколько товаров, и получите коммерческое предложение

Наличие на складах


  

Яндекс.Метрика