ПРОМЫШЛЕННЫЕ КОМПЛЕКТУЮЩИЕ


81117 TN подшипник SKF

Картинка 81117 TN   подшипник  SKF от компании «BC Industry» Корпуса, корпусные подшипники, подшипниковые узлы, смазки для подшипников, сальники, манжеты, уплотнения - купить в Шымкенте, в Алматы. Купить подшипники в Шымкенте. Купить подшипники в Алматы. SKF Казахстан.
107 885
KZT
Classification level 1
Roller bearing
Classification level 2
Cylindrical thrust
Net weight
0,42
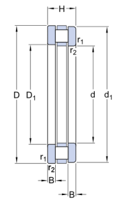
Bore diameter
85
Outside diameter
110
Width
19

81117 TN   подшипник  SKF

Добавьте в корзину один или несколько товаров, и получите коммерческое предложение

Наличие на складах


  

Яндекс.Метрика