ПРОМЫШЛЕННЫЕ КОМПЛЕКТУЮЩИЕ


7308 BEP подшипник SKF

Картинка 7308 BEP   подшипник  SKF от компании «BC Industry» Корпуса, корпусные подшипники, подшипниковые узлы, смазки для подшипников, сальники, манжеты, уплотнения - купить в Шымкенте, в Алматы. Купить подшипники в Шымкенте. Купить подшипники в Алматы. SKF Казахстан.
38 235
KZT
Classification level 1
Ball bearing
Classification level 2
Angular contact radial
Net weight
0,611
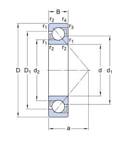
Bore diameter
40
Outside diameter
90
Width
23

7308 BEP   подшипник  SKF

Добавьте в корзину один или несколько товаров, и получите коммерческое предложение

Наличие на складах


  

Яндекс.Метрика