ПРОМЫШЛЕННЫЕ КОМПЛЕКТУЮЩИЕ


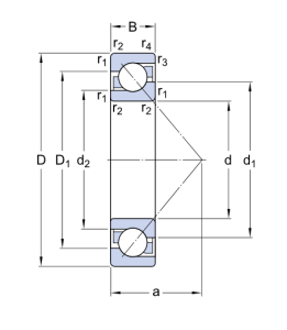
7304 BEP подшипник SKF

Картинка 7304 BEP   подшипник  SKF от компании «BC Industry» Корпуса, корпусные подшипники, подшипниковые узлы, смазки для подшипников, сальники, манжеты, уплотнения - купить в Шымкенте, в Алматы. Купить подшипники в Шымкенте. Купить подшипники в Алматы. SKF Казахстан.
17 110
KZT
Classification level 1
Ball bearing
Classification level 2
Angular contact radial
Net weight
0,136
Bore diameter
20
Outside diameter
52
Width
15

7304 BEP   подшипник  SKF

Добавьте в корзину один или несколько товаров, и получите коммерческое предложение

Наличие на складах


Яндекс.Метрика