ПРОМЫШЛЕННЫЕ КОМПЛЕКТУЮЩИЕ


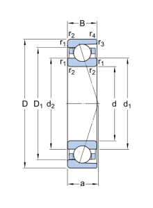
7205 ACD/P4A подшипник SKF

Картинка 7205 ACD/P4A   подшипник SKF от компании «BC Industry» Корпуса, корпусные подшипники, подшипниковые узлы, смазки для подшипников, сальники, манжеты, уплотнения - купить в Шымкенте, в Алматы. Купить подшипники в Шымкенте. Купить подшипники в Алматы. SKF Казахстан.

7205 ACD/P4A   подшипник SKF

Добавьте в корзину один или несколько товаров, и получите коммерческое предложение

Наличие на складах


  

Яндекс.Метрика