ПРОМЫШЛЕННЫЕ КОМПЛЕКТУЮЩИЕ


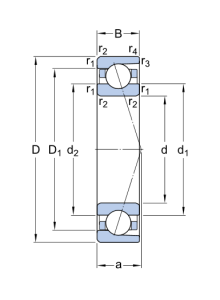
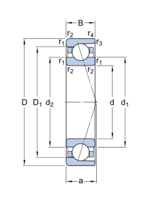
7014 CDGA/P4A подшипник SKF

Картинка 7014 CDGA/P4A   подшипник SKF от компании «BC Industry» Корпуса, корпусные подшипники, подшипниковые узлы, смазки для подшипников, сальники, манжеты, уплотнения - купить в Шымкенте, в Алматы. Купить подшипники в Шымкенте. Купить подшипники в Алматы. SKF Казахстан.
285 495
KZT
Classification level 1
Ball bearing
Classification level 2
Angular contact radial
Net weight
0,585
Bore diameter
70
Outside diameter
110
Width
20

7014 CDGA/P4A   подшипник SKF

Добавьте в корзину один или несколько товаров, и получите коммерческое предложение

Наличие на складах


  

Яндекс.Метрика