ПРОМЫШЛЕННЫЕ КОМПЛЕКТУЮЩИЕ


7009 ACD/P4A подшипник SKF

Картинка 7009 ACD/P4A   подшипник SKF от компании «BC Industry» Корпуса, корпусные подшипники, подшипниковые узлы, смазки для подшипников, сальники, манжеты, уплотнения - купить в Шымкенте, в Алматы. Купить подшипники в Шымкенте. Купить подшипники в Алматы. SKF Казахстан.
162 255
KZT
Classification level 1
Ball bearing
Classification level 2
Angular contact radial
Net weight
0,231
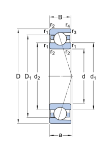
Bore diameter
45
Outside diameter
75
Width
16

7009 ACD/P4A   подшипник SKF

Добавьте в корзину один или несколько товаров, и получите коммерческое предложение

Наличие на складах


  

Яндекс.Метрика