ПРОМЫШЛЕННЫЕ КОМПЛЕКТУЮЩИЕ


6322/C4 подшипник SKF

Картинка 6322/C4   подшипник SKF от компании «BC Industry» Корпуса, корпусные подшипники, подшипниковые узлы, смазки для подшипников, сальники, манжеты, уплотнения - купить в Шымкенте, в Алматы. Купить подшипники в Шымкенте. Купить подшипники в Алматы. SKF Казахстан.
490 465
KZT
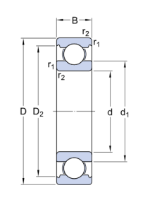
Classification level 1
Ball bearing
Classification level 2
Radial deep groove
Net weight
9,482
Bore diameter
110
Outside diameter
240
Width
50

6322/C4   подшипник SKF

Добавьте в корзину один или несколько товаров, и получите коммерческое предложение

Наличие на складах


Яндекс.Метрика