ПРОМЫШЛЕННЫЕ КОМПЛЕКТУЮЩИЕ


6320 M/С3 подшипник SKF

Картинка 6320 M/С3 подшипник  SKF от компании «BC Industry» Корпуса, корпусные подшипники, подшипниковые узлы, смазки для подшипников, сальники, манжеты, уплотнения - купить в Шымкенте, в Алматы. Купить подшипники в Шымкенте. Купить подшипники в Алматы. SKF Казахстан.
603 820
KZT
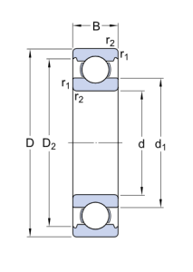
Classification level 1
Ball bearing
Classification level 2
Radial deep groove
Net weight
8,565
Bore diameter
100
Outside diameter
215
Width
47

6320 M/С3 подшипник  SKF

Добавьте в корзину один или несколько товаров, и получите коммерческое предложение

Наличие на складах


  

Яндекс.Метрика