ПРОМЫШЛЕННЫЕ КОМПЛЕКТУЮЩИЕ


6320-2Z/C3 подшипник SKF

Картинка 6320-2Z/C3   подшипник SKF от компании «BC Industry» Корпуса, корпусные подшипники, подшипниковые узлы, смазки для подшипников, сальники, манжеты, уплотнения - купить в Шымкенте, в Алматы. Купить подшипники в Шымкенте. Купить подшипники в Алматы. SKF Казахстан.
216 780
KZT
Classification level 1
Ball bearing
Classification level 2
Radial deep groove
Net weight
7,166
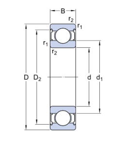
Bore diameter
100
Outside diameter
215
Width
47

6320-2Z/C3   подшипник SKF

Добавьте в корзину один или несколько товаров, и получите коммерческое предложение

Наличие на складах


  

Яндекс.Метрика