ПРОМЫШЛЕННЫЕ КОМПЛЕКТУЮЩИЕ


6319M/С4 подшипник SKF

Картинка 6319M/С4   подшипник SKF от компании «BC Industry» Корпуса, корпусные подшипники, подшипниковые узлы, смазки для подшипников, сальники, манжеты, уплотнения - купить в Шымкенте, в Алматы. Купить подшипники в Шымкенте. Купить подшипники в Алматы. SKF Казахстан.
616 540
KZT
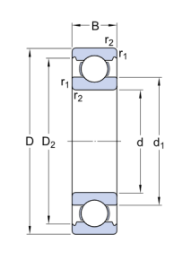
Classification level 1
Ball bearing
Classification level 2
Radial deep groove
Net weight
6,943
Bore diameter
95
Outside diameter
200
Width
45

6319M/С4   подшипник SKF

Добавьте в корзину один или несколько товаров, и получите коммерческое предложение

Наличие на складах


  

Яндекс.Метрика