ПРОМЫШЛЕННЫЕ КОМПЛЕКТУЮЩИЕ


6311-2Z/C3 подшипник SKF

Картинка 6311-2Z/C3   подшипник  SKF от компании «BC Industry» Корпуса, корпусные подшипники, подшипниковые узлы, смазки для подшипников, сальники, манжеты, уплотнения - купить в Шымкенте, в Алматы. Купить подшипники в Шымкенте. Купить подшипники в Алматы. SKF Казахстан.
33 210
KZT
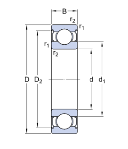
Classification level 1
Ball bearing
Classification level 2
Radial deep groove
Net weight
1,385
Bore diameter
55
Outside diameter
120
Width
29

6311-2Z/C3   подшипник  SKF

Добавьте в корзину один или несколько товаров, и получите коммерческое предложение

Наличие на складах


  

Яндекс.Метрика