ПРОМЫШЛЕННЫЕ КОМПЛЕКТУЮЩИЕ


6310-2Z/C4 подшипник SKF

Картинка 6310-2Z/C4  подшипник   SKF от компании «BC Industry» Корпуса, корпусные подшипники, подшипниковые узлы, смазки для подшипников, сальники, манжеты, уплотнения - купить в Шымкенте, в Алматы. Купить подшипники в Шымкенте. Купить подшипники в Алматы. SKF Казахстан.
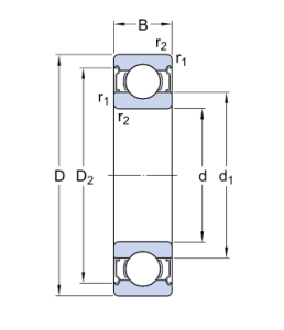
Classification level 1
Ball bearing
Classification level 2
Radial deep groove
Net weight
1,09
Bore diameter
50
Outside diameter
110
Width
27

6310-2Z/C4  подшипник   SKF

Добавьте в корзину один или несколько товаров, и получите коммерческое предложение

Наличие на складах


  

Яндекс.Метрика