ПРОМЫШЛЕННЫЕ КОМПЛЕКТУЮЩИЕ


6309-2Z/C4 подшипник SKF

Картинка 6309-2Z/C4   подшипник  SKF от компании «BC Industry» Корпуса, корпусные подшипники, подшипниковые узлы, смазки для подшипников, сальники, манжеты, уплотнения - купить в Шымкенте, в Алматы. Купить подшипники в Шымкенте. Купить подшипники в Алматы. SKF Казахстан.
23 470
KZT
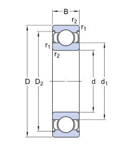
Classification level 1
Ball bearing
Classification level 2
Radial deep groove
Net weight
0,855
Bore diameter
45
Outside diameter
100
Width
25

6309-2Z/C4   подшипник  SKF

Добавьте в корзину один или несколько товаров, и получите коммерческое предложение

Наличие на складах


  

Яндекс.Метрика