ПРОМЫШЛЕННЫЕ КОМПЛЕКТУЮЩИЕ


6308-2Z/C4 подшипник SKF

Картинка 6308-2Z/C4  подшипник SKF  от компании «BC Industry» Корпуса, корпусные подшипники, подшипниковые узлы, смазки для подшипников, сальники, манжеты, уплотнения - купить в Шымкенте, в Алматы. Купить подшипники в Шымкенте. Купить подшипники в Алматы. SKF Казахстан.
18 595
KZT
Classification level 1
Ball bearing
Classification level 2
Radial deep groove
Net weight
0,635
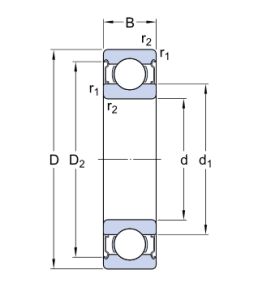
Bore diameter
40
Outside diameter
90
Width
23

6308-2Z/C4  подшипник SKF

Добавьте в корзину один или несколько товаров, и получите коммерческое предложение

Наличие на складах


Яндекс.Метрика