ПРОМЫШЛЕННЫЕ КОМПЛЕКТУЮЩИЕ


6308-2Z/C3 подшипник SKF

Картинка 6308-2Z/C3   подшипник   SKF от компании «BC Industry» Корпуса, корпусные подшипники, подшипниковые узлы, смазки для подшипников, сальники, манжеты, уплотнения - купить в Шымкенте, в Алматы. Купить подшипники в Шымкенте. Купить подшипники в Алматы. SKF Казахстан.
15 835
KZT
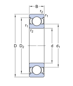
Classification level 1
Ball bearing
Classification level 2
Radial deep groove
Net weight
0,635
Bore diameter
40
Outside diameter
90
Width
23

6308-2Z/C3   подшипник   SKF

Добавьте в корзину один или несколько товаров, и получите коммерческое предложение

Наличие на складах


  

Яндекс.Метрика