ПРОМЫШЛЕННЫЕ КОМПЛЕКТУЮЩИЕ


6303-2RSH/C3 подшипник SKF

Картинка 6303-2RSH/C3   подшипник  SKF от компании «BC Industry» Корпуса, корпусные подшипники, подшипниковые узлы, смазки для подшипников, сальники, манжеты, уплотнения - купить в Шымкенте, в Алматы. Купить подшипники в Шымкенте. Купить подшипники в Алматы. SKF Казахстан.
4 855
KZT
Classification level 1
Ball bearing
Classification level 2
Radial deep groove
Net weight
0,111
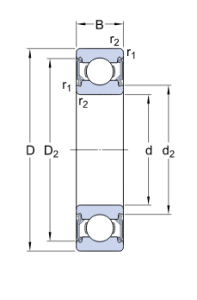
Bore diameter
17
Outside diameter
47
Width
14

6303-2RSH/C3   подшипник  SKF

Добавьте в корзину один или несколько товаров, и получите коммерческое предложение

Наличие на складах


  

Яндекс.Метрика