ПРОМЫШЛЕННЫЕ КОМПЛЕКТУЮЩИЕ


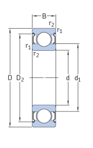
6301-Z подшипник SKF

Картинка 6301-Z  подшипник SKF  от компании «BC Industry» Корпуса, корпусные подшипники, подшипниковые узлы, смазки для подшипников, сальники, манжеты, уплотнения - купить в Шымкенте, в Алматы. Купить подшипники в Шымкенте. Купить подшипники в Алматы. SKF Казахстан.
0
KZT

6301-Z  подшипник SKF

Добавьте в корзину один или несколько товаров, и получите коммерческое предложение

Наличие на складах


  

Яндекс.Метрика