ПРОМЫШЛЕННЫЕ КОМПЛЕКТУЮЩИЕ


6224/C3 подшипник SKF

Картинка 6224/C3   подшипник SKF от компании «BC Industry» Корпуса, корпусные подшипники, подшипниковые узлы, смазки для подшипников, сальники, манжеты, уплотнения - купить в Шымкенте, в Алматы. Купить подшипники в Шымкенте. Купить подшипники в Алматы. SKF Казахстан.
235 650
KZT
Classification level 1
Ball bearing
Classification level 2
Radial deep groove
Net weight
5,156
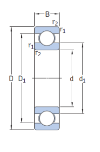
Bore diameter
120
Outside diameter
215
Width
40

6224/C3   подшипник SKF

Добавьте в корзину один или несколько товаров, и получите коммерческое предложение

Наличие на складах


  

Яндекс.Метрика