ПРОМЫШЛЕННЫЕ КОМПЛЕКТУЮЩИЕ


6221/С3 подшипник SKF

Картинка 6221/С3   подшипник SKF от компании «BC Industry» Корпуса, корпусные подшипники, подшипниковые узлы, смазки для подшипников, сальники, манжеты, уплотнения - купить в Шымкенте, в Алматы. Купить подшипники в Шымкенте. Купить подшипники в Алматы. SKF Казахстан.
170 595
KZT
Classification level 1
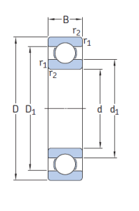
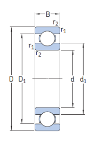
Ball bearing
Classification level 2
Radial deep groove
Net weight
3,725
Bore diameter
105
Outside diameter
190
Width
36

6221/С3   подшипник SKF

Добавьте в корзину один или несколько товаров, и получите коммерческое предложение

Наличие на складах


  

Яндекс.Метрика