ПРОМЫШЛЕННЫЕ КОМПЛЕКТУЮЩИЕ


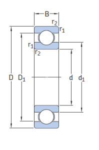
6220 подшипник SKF

Картинка 6220    подшипник SKF от компании «BC Industry» Корпуса, корпусные подшипники, подшипниковые узлы, смазки для подшипников, сальники, манжеты, уплотнения - купить в Шымкенте, в Алматы. Купить подшипники в Шымкенте. Купить подшипники в Алматы. SKF Казахстан.
141 765
KZT
Classification level 1
Ball bearing
Classification level 2
Radial deep groove
Net weight
3,164
Bore diameter
100
Outside diameter
180
Width
34

6220    подшипник SKF

Добавьте в корзину один или несколько товаров, и получите коммерческое предложение

Наличие на складах


  

Яндекс.Метрика