ПРОМЫШЛЕННЫЕ КОМПЛЕКТУЮЩИЕ


6218/С3 подшипник SKF

Картинка 6218/С3   подшипник SKF от компании «BC Industry» Корпуса, корпусные подшипники, подшипниковые узлы, смазки для подшипников, сальники, манжеты, уплотнения - купить в Шымкенте, в Алматы. Купить подшипники в Шымкенте. Купить подшипники в Алматы. SKF Казахстан.
98 170
KZT
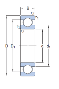
Classification level 1
Ball bearing
Classification level 2
Radial deep groove
Net weight
2,159
Bore diameter
90
Outside diameter
160
Width
30

6218/С3   подшипник SKF

Добавьте в корзину один или несколько товаров, и получите коммерческое предложение

Наличие на складах


  

Яндекс.Метрика