ПРОМЫШЛЕННЫЕ КОМПЛЕКТУЮЩИЕ


6217 подшипник SKF

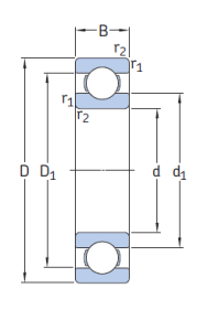
Картинка 6217   подшипник SKF от компании «BC Industry» Корпуса, корпусные подшипники, подшипниковые узлы, смазки для подшипников, сальники, манжеты, уплотнения - купить в Шымкенте, в Алматы. Купить подшипники в Шымкенте. Купить подшипники в Алматы. SKF Казахстан.
79 565
KZT
Classification level 1
Ball bearing
Classification level 2
Radial deep groove
Net weight
1,744
Bore diameter
85
Outside diameter
150
Width
28

6217   подшипник SKF

Добавьте в корзину один или несколько товаров, и получите коммерческое предложение

Наличие на складах


  

Яндекс.Метрика