ПРОМЫШЛЕННЫЕ КОМПЛЕКТУЮЩИЕ


6217-2Z подшипник SKF

Картинка 6217-2Z  подшипник SKF от компании «BC Industry» Корпуса, корпусные подшипники, подшипниковые узлы, смазки для подшипников, сальники, манжеты, уплотнения - купить в Шымкенте, в Алматы. Купить подшипники в Шымкенте. Купить подшипники в Алматы. SKF Казахстан.
91 605
KZT
Classification level 1
Ball bearing
Classification level 2
Radial deep groove
Net weight
1,827
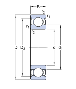
Bore diameter
85
Outside diameter
150
Width
28

6217-2Z  подшипник SKF

Добавьте в корзину один или несколько товаров, и получите коммерческое предложение

Наличие на складах


  

Яндекс.Метрика