ПРОМЫШЛЕННЫЕ КОМПЛЕКТУЮЩИЕ


6215/С3 подшипник SKF

Картинка 6215/С3   подшипник SKF от компании «BC Industry» Корпуса, корпусные подшипники, подшипниковые узлы, смазки для подшипников, сальники, манжеты, уплотнения - купить в Шымкенте, в Алматы. Купить подшипники в Шымкенте. Купить подшипники в Алматы. SKF Казахстан.
35 740
KZT
Classification level 1
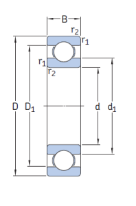
Ball bearing
Classification level 2
Radial deep groove
Net weight
1,156
Bore diameter
75
Outside diameter
130
Width
25

6215/С3   подшипник SKF

Добавьте в корзину один или несколько товаров, и получите коммерческое предложение

Наличие на складах


  

Яндекс.Метрика