ПРОМЫШЛЕННЫЕ КОМПЛЕКТУЮЩИЕ


6214/C4 подшипник SKF

Картинка 6214/C4   подшипник SKF от компании «BC Industry» Корпуса, корпусные подшипники, подшипниковые узлы, смазки для подшипников, сальники, манжеты, уплотнения - купить в Шымкенте, в Алматы. Купить подшипники в Шымкенте. Купить подшипники в Алматы. SKF Казахстан.
Classification level 1
Ball bearing
Classification level 2
Radial deep groove
Net weight
1,063
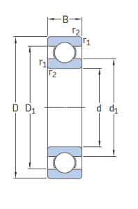
Bore diameter
70
Outside diameter
125
Width
24

6214/C4   подшипник SKF

Добавьте в корзину один или несколько товаров, и получите коммерческое предложение

Наличие на складах


  

Яндекс.Метрика