ПРОМЫШЛЕННЫЕ КОМПЛЕКТУЮЩИЕ


6214-2Z/C3 подшипник SKF

Картинка 6214-2Z/C3  подшипник SKF от компании «BC Industry» Корпуса, корпусные подшипники, подшипниковые узлы, смазки для подшипников, сальники, манжеты, уплотнения - купить в Шымкенте, в Алматы. Купить подшипники в Шымкенте. Купить подшипники в Алматы. SKF Казахстан.
38 400
KZT
Classification level 1
Ball bearing
Classification level 2
Radial deep groove
Net weight
1,103
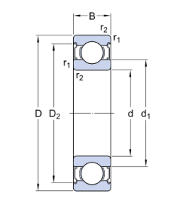
Bore diameter
70
Outside diameter
125
Width
24

6214-2Z/C3  подшипник SKF

Добавьте в корзину один или несколько товаров, и получите коммерческое предложение

Наличие на складах


Яндекс.Метрика