ПРОМЫШЛЕННЫЕ КОМПЛЕКТУЮЩИЕ


6213-2Z/C3 подшипник SKF

Картинка 6213-2Z/C3   подшипник SKF от компании «BC Industry» Корпуса, корпусные подшипники, подшипниковые узлы, смазки для подшипников, сальники, манжеты, уплотнения - купить в Шымкенте, в Алматы. Купить подшипники в Шымкенте. Купить подшипники в Алматы. SKF Казахстан.
31 340
KZT
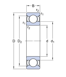
Classification level 1
Ball bearing
Classification level 2
Radial deep groove
Net weight
1,029
Bore diameter
65
Outside diameter
120
Width
23

6213-2Z/C3   подшипник SKF

Добавьте в корзину один или несколько товаров, и получите коммерческое предложение

Наличие на складах


Яндекс.Метрика