ПРОМЫШЛЕННЫЕ КОМПЛЕКТУЮЩИЕ


6209-2Z/C4 подшипник SKF

Картинка 6209-2Z/C4  подшипник SKF от компании «BC Industry» Корпуса, корпусные подшипники, подшипниковые узлы, смазки для подшипников, сальники, манжеты, уплотнения - купить в Шымкенте, в Алматы. Купить подшипники в Шымкенте. Купить подшипники в Алматы. SKF Казахстан.
14 825
KZT
Classification level 1
Ball bearing
Classification level 2
Radial deep groove
Net weight
0,41
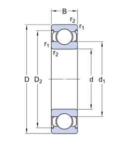
Bore diameter
45
Outside diameter
85
Width
19

6209-2Z/C4  подшипник SKF

Добавьте в корзину один или несколько товаров, и получите коммерческое предложение

Наличие на складах


  

Яндекс.Метрика