ПРОМЫШЛЕННЫЕ КОМПЛЕКТУЮЩИЕ


6205-2Z/C4 подшипник SKF

Картинка 6205-2Z/C4   подшипник SKF от компании «BC Industry» Корпуса, корпусные подшипники, подшипниковые узлы, смазки для подшипников, сальники, манжеты, уплотнения - купить в Шымкенте, в Алматы. Купить подшипники в Шымкенте. Купить подшипники в Алматы. SKF Казахстан.
5 330
KZT
Classification level 1
Ball bearing
Classification level 2
Radial deep groove
Net weight
0,131
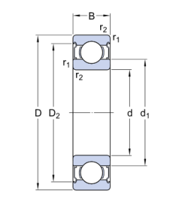
Bore diameter
25
Outside diameter
52
Width
15

6205-2Z/C4   подшипник SKF

Добавьте в корзину один или несколько товаров, и получите коммерческое предложение

Наличие на складах


Яндекс.Метрика