ПРОМЫШЛЕННЫЕ КОМПЛЕКТУЮЩИЕ


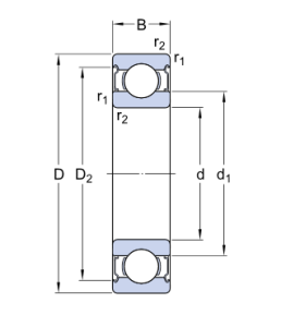
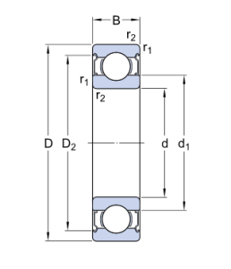
6201-2Z/C2 подшипник SKF

Картинка 6201-2Z/C2   подшипник SKF от компании «BC Industry» Корпуса, корпусные подшипники, подшипниковые узлы, смазки для подшипников, сальники, манжеты, уплотнения - купить в Шымкенте, в Алматы. Купить подшипники в Шымкенте. Купить подшипники в Алматы. SKF Казахстан.
5 680
KZT
Classification level 1
Ball bearing
Classification level 2
Spherical radial
Net weight
0,037
Bore diameter
12
Outside diameter
32
Width
10

6201-2Z/C2   подшипник SKF

Добавьте в корзину один или несколько товаров, и получите коммерческое предложение

Наличие на складах


  

Яндекс.Метрика