ПРОМЫШЛЕННЫЕ КОМПЛЕКТУЮЩИЕ


61821-2RS1 подшипник SKF

Картинка 61821-2RS1  подшипник SKF от компании «BC Industry» Корпуса, корпусные подшипники, подшипниковые узлы, смазки для подшипников, сальники, манжеты, уплотнения - купить в Шымкенте, в Алматы. Купить подшипники в Шымкенте. Купить подшипники в Алматы. SKF Казахстан.
133 215
KZT
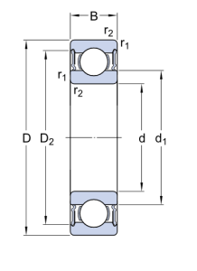
Classification level 1
Ball bearing
Classification level 2
Spherical radial
Net weight
0,317
Bore diameter
105
Outside diameter
130
Width
13

61817 подшипник SKF

Добавьте в корзину один или несколько товаров, и получите коммерческое предложение

Наличие на складах


  

Яндекс.Метрика