ПРОМЫШЛЕННЫЕ КОМПЛЕКТУЮЩИЕ


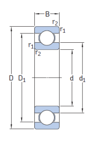
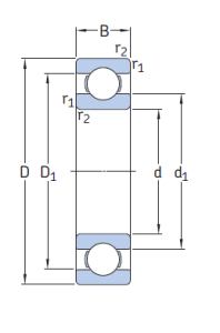
6024 подшипник SKF

Картинка 6024  подшипник SKF от компании «BC Industry» Корпуса, корпусные подшипники, подшипниковые узлы, смазки для подшипников, сальники, манжеты, уплотнения - купить в Шымкенте, в Алматы. Купить подшипники в Шымкенте. Купить подшипники в Алматы. SKF Казахстан.
96 175
KZT
Classification level 1
Ball bearing
Classification level 2
Radial deep groove
Net weight
2,088
Bore diameter
120
Outside diameter
180
Width
28

6024  подшипник SKF

Добавьте в корзину один или несколько товаров, и получите коммерческое предложение

Наличие на складах


  

Яндекс.Метрика