ПРОМЫШЛЕННЫЕ КОМПЛЕКТУЮЩИЕ


6021 подшипник SKF

Картинка 6021 подшипник   SKF от компании «BC Industry» Корпуса, корпусные подшипники, подшипниковые узлы, смазки для подшипников, сальники, манжеты, уплотнения - купить в Шымкенте, в Алматы. Купить подшипники в Шымкенте. Купить подшипники в Алматы. SKF Казахстан.
74 095
KZT
Classification level 1
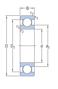
Ball bearing
Classification level 2
Radial deep groove
Net weight
1,562
Bore diameter
105
Outside diameter
160
Width
26

6021 подшипник   SKF

Добавьте в корзину один или несколько товаров, и получите коммерческое предложение

Наличие на складах


  

Яндекс.Метрика